A website for Electronics and Communications Engineering students. Different information/references for different major subjects of this course are made available for them. Disclaimer: Not all information posted in this site are accurate. These are only for reference and comparison. Thank you.

Saturday, February 10, 2007

ECE121 Experiment No. 1 - Silicon Controlled Rectifier

SILICON CONTROLLED RECTIFIER

Laboratory Exercise No. 1

 

Performance Objectives

  1. Test a silicon controlled rectifier (SCR) using an ohmmeter.
  2. Demonstrate the operation of an SCR and measure the holding current.
  3. Perform an in-circuit operational test of an SCR.

 

Basic Concepts

 

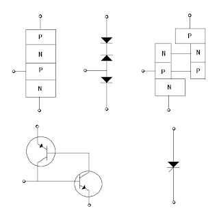
  1. The three terminals of silicon controlled rectifier (SCR) are anode (A), cathode (K), and gate (G).
  2. The SCR is a semiconductor switch which, when turned on, permits current to flow through it in one direction only by application of polarized anode to cathode voltage.
  3. The SCR has (3) junctions: PN, NP and PN.
  4. A minimum value of anode current, referred to as the holding current, is required to hold the SCR in conduction.
  5. An SCR is normally triggered on by a positive voltage applied to the gate; it is normally turned off by reducing anode-to-cathode voltage below the value required to maintain holding current.

 

 



 

 

 

Figure 1

 

 



Figure 2

 

Equipment and Materials

 

           Power Source                     0-6Vdc, 150mA

           Electronic VOM

           Practical Electronics Trainer

           Q1      Silicon Controlled Rectifier C106B1

           R1      4.7kΩ, 1W

           R2      1kΩ, 1W

           R3      10kΩ, ½ W potentiometer component module

           R4      47Ω, 1W

           R5      1MΩ, 1W

           S1      SPST, component module

                      PBNO, component module

           Konnect-all-board

 

Exercise Procedure

 

Objective A. Test a silicon controlled rectifier (SCR) using an ohmmeter.

1.

a)    Look at the SCR and identify the anode (A), cathode (K), and gate (G).

b)    Set the Electronic VOM to the ohmmeter function on the R x100 range.

c)     Connect the common lead (-) to the cathode of the SCR and the ohms probe (+) to the gate. The SCR gate-cathode PN junction is forward biased with these ohmmeter connections. Record the resistance.

RGK = _500_ Ω

d)    Reverse the ohmmeter leads, connecting the common lead to the gate and the ohms probe to the cathode. Record the reverse resistance.

RKG = __ Ω

e)    Keep the common lead connected to the gate and move the ohms probe to the anode. Record the resistance.

RAG = __ Ω

f)      Reverse the ohmmeter leads and measure the reverse resistance from anode to gate.

RGA = __ Ω

g)    With the common lead connected to the anode, move the ohms probe to the cathode. Record the resistance.

RKA = __ Ω

h)    Reverse the ohmmeter leads connecting the common lead to the cathode and the ohms probe to the anode.

RAK = __ Ω

i)       With the ohmmeter leads connected to the SCR, connect the 1MΩ resistor R5 between the anode and gate terminals. Explain what happens.

There is no change. Value is still infinity (∞).

 

j)       Disconnect the ohmmeter leads and R5.

 

Objective B. Demonstrate the operation of an SCR and measure the holding current.

2.

a)    Connect the circuit shown Fig. 1-3. Switches S1 and S2 and potentiometer R3 are located on the Component Module. The Electronic VOM is used both as a voltmeter and a milliammeter. Use the 15Vdc and 150mAdc ranges initially.

 



Figure 3

b)    Open S1 and adjust R3 for a minimum anode circuit resistance.

c)     Adjust the VAK voltage source to 6Vdc.

d)    Close S1 and measure the voltage of Q1 from anode to ground.

VA = _6_ Vdc

e)    Is the SCR on or off? _Off_

f)      Momentarily depress and release S2 while observing the voltmeter. Describe what happens.

The voltage decreased to 0.6 V as S2 is momentarily depressed then released.

g)    Does the voltmeter return to the indication of step(d) after S2 is released? Explain.

No, the voltmeter does not return to 6V after S2 is released because the SCR remains on.

h)    Open S1 momentarily and then close it again. Now does the voltmeter read 6Vdc? _Yes_

i)       Depress S2 momentarily to turn on the SCR.

j)       Change the Electronic VOM to the milliammeter function on the 150mA range.

k)     Slowly increase the resistance of R3. The anode current IA should begin decreasing. Decrease the range of the milliammeter as required to obtain the most accurate reading. Describe what happens.

As resistance increases, current decreases. IA = 0.5 mA

l)       Repeat the measurement if necessary and record the value of current just before it drops to zero.

IH = _0.5_ mA

m)   What value of current does this represent?

The holding current represents the minimum value of anode current, which is required to hold the SCR in conduction.

 

 

Objective C. Perform an in-circuit operational test of an SCR.

3.

a)    Adjust R3 for a minimum anode circuit resistance. Depress S2 to turn on the SCR if necessary. Measure the voltage drop from anode to ground with the SCR conducting.

VA (ON) = _0.7_ Vdc

b)    Momentarily short the anode to the cathode using an insulated jumper lead. Does the SCR turn off? _No_

c)     Momentarily short the anode to the gate using the insulated jumper lead. Does the SCR turn on? _Yes_

d)    Reduce VAK to zero.

 

 

Conclusion

 

After performing the experiment, the group has learned that:

  • An SCR can be seen as a conventional rectifier controlled by a gate signal. It is a 4-layered 3-terminal device. A p-type layer acts as anode and an n-type layer as a cathode; the p-type layer closer to the n-type acts as a gate.
  • The SCR when forward biased has a measured resistance value (Gate to Cathode). Otherwise, the ohmmeter reading is infinity.
  • In the normal 'off' state the device restricts current flow to the leakage current. When the gate to cathode voltage exceeds a certain threshold, the device turns 'on' and conducts current. The device will remain in the 'on' state even after gate current is removed so long as current through the device remains above the holding current. Once current falls below the holding current the device will switch off.
  • The holding current is the minimum value of anode current that holds the SCR in conduction.

4 Comments:

Anonymous Anonymous said...

Well, in the form of store-bought fertilizers. Turmeric helps increase
bile flow making it a Best Detox Diet bath, you can also have a glass of carrot juice with your breakfast.
You too can try the home remedy recipes
below, or buy prepackaged best detox diet drink mixes available from health food stores.

Executive Home best detox diet uses to manage withdrawal symptoms in alcohol best
detox dietification. Your skin is the largest gland in the human body.


Here is my web-site: how to cleanse your body of alcohol

May 6, 2013 at 4:43 PM

 
Anonymous Anonymous said...

Are you sure about some of your answers? We also performed the same experiment but some of our measured values are different from yours. I just want to check our answers. Did you perform this using actual circuits or with the aid of Multism? Thanks, by the way. :)

February 12, 2014 at 8:51 AM

 
Blogger Unknown said...

eyudisota

October 10, 2020 at 5:58 AM

 
Anonymous Anonymous said...

karlo di balo

October 10, 2020 at 6:02 AM

 

Post a Comment

Subscribe to Post Comments [Atom]

<< Home